|
Alum-A-Lift מציגה -מציל הגב: |
הפתרונות הארגונומיים למשאות קלים וכבדים, להרמה, טלטול הזזה ושינוע:
טק פיקס מציעה פתרונות חכמים לארגונומיה, בטיחות והנדסת ייצור:
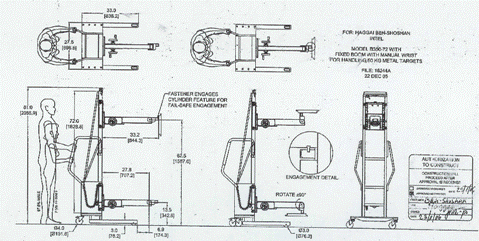
מעליות מוסעות ומנופים ארגונומיים לעובדים בתעשיות השונות* (393 סוגים שונים, בהתאם לדרישות הלקוח). הן מהוות פתרון מושלם להרמה, סחיבה, הזזה, הנעה, ריטוט, ריטום, שינוע ועמדות עבודה והרכבה ניידות.
המעליות והמתקנים, קומפקטיים וקלי משקל (בד"כ סגסוגת AL 6061) ומותאמים לדרישת הלקוח. גודלה הקטן של המעלית מאפשר נגישות רבה למשאות במפעל והיא מסוגלת להתייחס ע"פ אפיון מראש – למשאות רגישים. המעליות עומדות בסטנדרטים גבוהים מאד.
*הציוד מתאים מאד לעבודה בחדרים נקיים, בתעשיית התרופות, תעשייה תעופתית, מיקרו אלקטרוניקה, אלקטרוניקה, בקרת קרינה, תעשיה צבאית, תעשיית ההרכבות והזיווד, תעשיית הטקסטיל ותעשיית המזון.
חברת טק-פיקס תלווה את הלקוח באפיון הצורך הארגונומי - תכנון הנדסי שלו - וייצור בהזמנה
מחברת ALUM-A-LIFT ארה"ב.
 |
 |
 |
טק פיקס בע"מ תסייע לכם באפיון המוצר ותכנונו: |
|
|
|
|